エースはどこに?
次々と報道が流れているのにもかかわらず、社会は確固たる知見が得られずにいらだっていた。逆に不確かな情報が氾濫するという事態に陥っていた。
例えば、テレビからは、放射能汚染に関して、専門家が決まり文句のように繰り返して発言していた。
「ただちに健康被害が出るようなレベルではありませんので安心して下さい」
「ただちに」被害が出ないということは、「将来は出る」ということなのか?
なぜそれで「安心できる」という結語になるのか?
学生の安否確認など、日々の生活に追われながらも、私は「第一人者」を探し始めた。社会の混乱を鎮めるためには、確固たる専門領域の能力を持ち、かつ、第一人者として発言に責任を取れるだけの自負を持った「エース」の登場が不可欠であると思われたからである。
そしてもし、何らかの理由で「エース」が埋もれてしまっていたとしたならば、それは表舞台に出さなければならない。その役目は、もしかすると私の仕事なのではないかと、(不遜ながらも)思い始めていた。
牧野教授の公開用日誌
「エース」探しが難航する中、私の中では、あるホームページの存在が大きくなり始めていた。牧野淳一郎教授の「公開用日誌」である。
私は、牧野と同年齢ではあるが、大学院時代の後輩にあたり、学年でいえば4年下である。大学院時代には研究指導をしてもらい、成果を上げることができた。当時のできごとは、拙著「スーパーコンピューターを20万円で創る」(集英社新書)で書かせて頂いている。

- 作者: 伊藤智義
- 出版社/メーカー: 集英社
- 発売日: 2007/06/15
- メディア: 新書
- 購入: 10人 クリック: 250回
- この商品を含むブログ (130件) を見る
牧野は、震災の発生した3月当時は国立天文台の教授であり、4月から東京工業大学の教授に異動している。専門は「天文学」と「計算機科学」であり、今回の大震災に直接関わってはいない。そういう意味では「第一人者」には該当しない。ただ、牧野の記述には、ときの社会情勢にとらわれない科学者としての資質を垣間見ることができる。「知的好奇心」「分析能力」「義務と責務」「自負と自信」である。
また、日誌形式であるので、基本的に牧野本人がわかるように書いてあるため、ところどころで専門用語、あるいは計算式が出てくる。一般の人が読んで理解できるかというと、正直なところ、少々困難であると思われる。それは決して、牧野の記述をおとしめているわけではないが、もし、この公開用日誌をわかりやすく読み解くことができれば、震災初動の1ヶ月を明らかにできるのではないかと考えた次第である。
冷却と風向き
ここから、牧野の「公開用日誌」を読み解きながら、原発事故にほんろうされた1ヶ月を記述したい。
なお、日誌形式なので、当然ながら、様々なことが書かれている。本書では震災、特に原発事故にしぼって、牧野の許可を得たうえで、筆者の責任で抜粋している。
「・」で始まる箇条書きの文章が牧野の地の文である。記述されている文言は、固有名詞以外はそのままを基本としているが、リンク先については、必要に応じて、()書きで補足した。網かけは、牧野がリンク先から引用した文章である。
全文に興味がある方は、直接、以下のホームページをご覧頂きたい。
http://jun.artcompsci.org/journal/journal.html
【3月11日】(震災1日目)
•14:48 地震。
•原子炉冷却機能が停止=福島第一原発(時事通信社ニュース)。
経済産業省原子力安全・保安院によると、11日午後の地震の影響で、福島第一原発の原子炉を冷却するための機能が作動していないという。(2011/03/11-18:28)
え、、、
•福島第 1原発、冷却機能停止(時事通信社ニュース)
経済産業省原子力安全・保安院によると、同原発は1〜3号機すべてが地震直後に自動停止したが、1、2号機の冷却水の水位が確認できない状態になっている。2号機は冷却機能が停止。非常用ディーゼル発電機も停止しており、東電が電源車を向かわせた。
福島県などによると、2号機の原子炉冷却水の水位が下がっており、この状態が続くと燃料棒が露出し、放射能漏れの恐れがあるという。
また、福島第2原発(同県富岡町、楢葉町)も1〜4号機が自動停止。東京電力によると、1号機の原子炉格納容器内の圧力が上昇し、午後5時35分に非常時に炉内に冷却水を注入する「緊急時炉心冷却装置(ECCS)」が自動起動した。
保安院によると、冷却水は確保されているとみられるが、2、4号機は冷却のため海水を取り入れるポンプの動作確認が津波の影響でできなくなっているという。(2011/03/11-23:10)
第一2号機は完全に一次冷却系が止まってる、というふうに読めるけど、、、ということは、蒸発の潜熱だけで冷却もたしてるわけで一次系の水蒸気をもう外に出してるの?
リアルタイムデータ(東京電力福島第一原子力発電所ホームページ資料「リアルタイムデータ」) は全部 14:40 で止まっててなにもわからないし。まあ、ここ (気象庁ホームページ資料「上空の風情報」)のデータだと西風っぽいから、、、
•東京電力の発表によると、このままでは原発は爆発の恐れがあり、わざと放射能を漏らす作業に入る可能性があるとのことです。(twitter情報より)
•これはおそらく一次系(燃料棒等を直接冷やす水、福島第一は BWR というタイプなのでタービンも同じ系統)の温度・圧力が限界を超えたので蒸気を逃がす、あるいは既に逃がしていることを明らかにした、という話。圧力を下げたあと水を注入できればまあ燃料棒破損は避けられるかもしれない。
•こっち(朝日新聞社ニュース)のが詳しい。
東日本大地震で、炉心を冷やす緊急炉心冷却システム(ECCS)が動かなくなった福島第一原子力発電所の1号機について、東京電力は11日未明、原子炉格納容器の圧力が高まっているため、容器内の放射能を含む蒸気を放出する作業を検討していることを明らかにした。実施すれば、外部に放射能が出る可能性があるとしている。
一次系からでた水蒸気で格納容器内の圧力が危険な程度になったので外に逃がす、と。
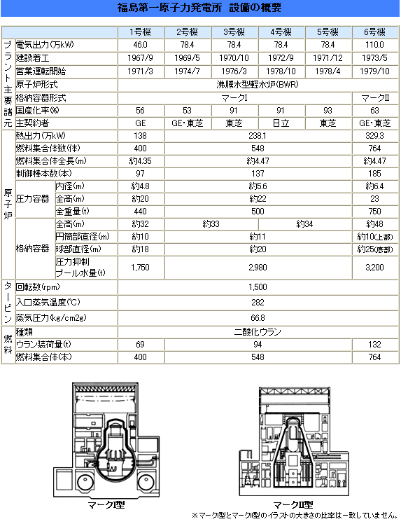
•福島第一原子力発電所 設備の概要(東京電力ホームページ資料「福島第一原子力発電所の概要」)。
•BWR・MARK-I型格納容器圧力抑制系 に加わる動荷重の評価指針(内閣府原子力安全委員会ホームページ上の「昭和62年11月5日決定資料」)。この構造からすると、格納容器内の圧力が上がる、ということは圧力抑制プールの水温が上がってしまった、ということだよな、、、まあ、2次系止まってるんだろうからそのうちにそうなると。炉心への水注入はできてるのかなあ?
牧野は、原発事故の驚きとともに、即座に、もっとも重要な二点について言及している。「冷却」と「風向き」である。
まず「冷却」についてである。
運転中の原子炉では、ウランを持続的に核分裂させてエネルギーを取り出している。このときの状態を「臨界」という。「臨界」の状態を制御するための装置として「制御棒」があり、制御棒を出し入れしながら核分裂をコントロールする。制御棒をすべて差し込むと、燃料であるウランは核分裂できなくなり、原子炉は停止する。
ただし、ウランの核分裂が停止した後でも、すぐにはエネルギーの出力は止まらない。ウランの核分裂によって生じた放射性物質が自発的に放射線を出し続けるためである。これによる発熱を「崩壊熱」という。崩壊熱量は、もともとの発電量に対して、おおよそ、1秒後に10%、1日後に1%、1年後に0.1%になる。
そのため、原子炉は停止しても、炉心では1%程度の発熱がしばらく続くことになる。1%というと小さいように聞こえるが、具体的に数値を出すと、そうでもないことがわかる。

図1.福島第一原子力発電所の概要(東京電力のホームページより)
図1は東京電力のホームページに掲載されている福島第一原子力発電所の概要である。電力出力は、1号機が46万キロワット、2〜5号機が78万4000キロワット、6号機が110万キロワットである。ただし、電力を作るためにはそれ以上の熱エネルギーが必要であり、原子炉そのものの熱出力は1号機が138万キロワット、2〜5号機が238万1000キロワット、6号機が329万3000キロワットである。
したがって、運転中だった炉心の崩壊熱はその1%で、1号機が約1万キロワット、2〜4号機が約2万キロワットとなる。
ウラン燃料が収められている一番中心の「原子炉圧力容器」の大きさは、1号機が直径4.8メートル×高さ20メートル、2〜4号機が直径5.6メートル×高さ22メートルである。電気ストーブの出力がだいたい1キロワットなので、この閉じた空間の中が、電気ストーブ1〜2万個分の熱量で暖め続けられるという状態になる。
ウラン燃料は二酸化ウランという固形化合物の形で、直径1センチ×長さ4メートルの棒状の管に詰められている。これを燃料棒といい、1号機では400本、2〜4号機では548本が束ねられて圧力容器に収まっている。
原子炉は通常、300度程度に保たれ、水を沸騰させてタービン(大きな風車)を回し、電気を作っている。
ところが、冷却機能が失われて温度が上昇すると燃料棒が破損し始める。それは、核分裂反応で生成された放射性物質が外部に漏れ出すことを意味し、大事故へとつながる危険性が出てくる。
したがって、至急必要な措置が「冷却」ということになる。
次に「風」についてである。

図2.原子炉の構造(北村行孝・三島勇「日本の原子力施設全データ」講談社ブルーバックスより)

日本の原子力施設全データ―どこに何があり、何をしているのか (ブルーバックス)
- 作者: 北村行孝,三島勇
- 出版社/メーカー: 講談社
- 発売日: 2001/09/20
- メディア: 新書
- 購入: 1人 クリック: 375回
- この商品を含むブログ (12件) を見る
冷却が効かなくなった「水」(液体)は「水蒸気」(気体)となって格納容器に充満する。気体は温度が高くなればなるほど高圧になるので、高温・高圧で原子炉格納容器が破損(爆発)する危険がある。
そういう判断のもと、原子炉格納容器内の水蒸気を外部に放出したということを、次のコメントは意味している。
【一次系からでた水蒸気で格納容器内の圧力が危険な程度になったので外に逃がす、と。】
ただし、原子炉格納容器内の水は放射線に汚染されている。もし、燃料棒の破損が起きていれば、直接核分裂で生じた放射性物質も含まれる。それが外部に放出されるのである。
問題となるのが、どこに広がっていくかであり、つまり、風である。
牧野の日誌には、一言、
【まあ、ここのデータだと西風っぽいから、、、】
と書かれている。
「西風」は、海(太平洋)に向かう風である。
牧野の日誌のこの一言には、人の住む陸地には向かわないので、とりあえずは安心であるという意味が含まれている。
原発事故においては、気象条件がいかに重要かを読み取ることができる。
これらのことは、調べればわかることではある。
ただ、事故直後の混乱の中で、専門家ではない牧野が、これほど的確な判断をしていることは驚きであり、特筆に値する。
また、世の中が硬直し、有識者が発言を控える中、なぜ牧野は普段通りに自らの感想を綴ることができたのかも興味深い。牧野は、分野こそ違うが、日本を代表する科学者の一人である。
そこには、まず、科学者としての「知的好奇心」が見てとれる。さらに「自負と自信」が加わり、「責任と責務」をプラスの方に押し出していった。このことは、日誌を追うごとに明らかになる。
3月12日(震災2日目)
•メルトダウンしません(twitter情報より)。何故この事態の時にこんなことを書いたり、それをリツィートしたりする輩がいるんだ?
•もちろん分裂反応は止まってるけど、核分裂生成物の崩壊熱は今の瞬間にもでてます。
•元々炉心にある一次冷却水が蒸発するのに任せると数時間で燃料棒が露出、溶解して原爆の何桁も上の量の放射性物質が水蒸気と一緒に放出され、さらに燃料棒の破損が進むと核燃料が圧力容器の下にたまって水では冷却できなくなり、溶解して圧力容器も格納容器も溶かし、、、というメルトダウンにいたります。
•炉心にどんどん水をいれて、一次冷却水が全部蒸気になって外に漏れるに任せればこの事態は防ぐことができるはず。現在そうしているものと思われます(でなければ既に燃料棒破損してるから)
•セシウム137検出されたとの NHKニュースが、、、燃料棒破損が始まってるということ。風向きに運を任せるか避難するか、という話だけど、
•核燃料棒を束ねた「燃料集合体」が、最大で1メートル70センチほど露出している(NHKニュース) スリーマイルと同様の状態。
•核分裂反応が止まってから冷却剤喪失までに1日近くあったので崩壊熱はいくらか下がっていて、運がよければメルトダウンにいたらないかもしれない、という状況。
•物理学者を名乗っていても「核反応は止まっているのでメルトダウンはない」とかいう人がいるのが理解できん。
•とりあえず、燃料棒破損は深刻だったけど格納容器が壊れないですんだスリーマイルよりもはるかに重大な事故になった、ということです。火災が起きて大量の放射性物質が上空まで巻き上げられたチェルノブイリよりは今のところはまし。あと、内陸でキエフとかの大都市が近かったチェルノブイリと違って海に面していて、さらに現在は上空の風が西風、低高度も西風なので放射能汚染が深刻にならないかもしれない。
•朝日の記事
一方、保安院によると、爆発音のあった後に、1号機の原子炉格納容器の圧力が急激に下がってきたという。格納容器の破損を防ぐため、弁を開けて内部の空気を抜く作業が効果を上げたのか、他の要因かは不明だ。空気とともに容器内の放射性物質も外部に放出されたとみられ、放射線の観測値は上昇している。
原子炉圧力容器内の水位は下がり続けており、午後5時28分の段階で、燃料棒(長さ4メートル)の上端から1.7メートル低い位置にある。燃料棒の半分近くが露出した状態になっている。消防車などを使って冷却水を注入しているが追いついていない。このため、東電は海水も使うことを選択肢の一つとして検討していることを明らかにした。
爆発音の後でもまだ格納容器が全壊はしてなさそう。圧力容器も、水位という概念が意味がある程度に、と。但し、単に新しい情報がはいってないだけの可能性もある。
•「現時点では 10キロ圏外は大丈夫」という政府発表は、全くなんの根拠もないと思ったほうがよい。
•原子炉格納容器外で水素が爆発…官房長官(読売新聞社ニュース)
枝野官房長官は12日夜、首相官邸で記者会見し、福島第一原発1号機で起きた爆発について「原子炉の格納容器が爆発したものではなく、格納容器の外で起きたもの」と述べ、「放射性物質が大量に漏れ出すものではない。爆発前と比べ数値は上がっていない」と冷静に対応するよう呼びかけた。
格納容器に損傷がなかったとはいってないところが、、、
•福島第一原発1号機に海水注入開始 格納容器冷却へ 朝日の記事。
今後の損傷を防ぐため、容器を海水で満たして冷やす措置を指示したことを明らかにした。
満たした海水はそのうちに温度が上がるわけで、冷やすためには新しいのと入れ替える必要があり、古いのは流れ出すに任せる、ということです。沸騰させないでそのまま海に流すのかなあ、、、
この日の日誌の冒頭は強烈な批判から始まっている。
【メルトダウンしません。何故この事態の時にこんなことを書いたり、それをリツィートしたりする輩がいるんだ?】
さらには、
【物理学者を名乗っていても「核反応は止まっているのでメルトダウンはない」とかいう人がいるのが理解できん】
とまで、言い切っている。
震災1ヶ月後の発言ではない。2日目である。一般社会に不安を与えないように、科学者自らが口を閉ざしているかのような状況の中での発言である。一歩間違えれば、インターネット上で炎上していてもおかしくはなかった。
ただ、牧野の日誌は、科学的に客観的な視点が補足してあった。みる人がみれば、うなずくことも多かったに違いない。実際、牧野の公開用日誌は、日を追うごとに客観性の高い記述であるとの評判を得ていく。
末尾の文章が象徴的である。
【満たした海水はそのうちに温度が上がるわけで、冷やすためには新しいのと入れ替える必要があり、古いのは流れ出すに任せる、ということです。沸騰させないでそのまま海に流すのかなあ、、、】
衆目が眼前の「冷却」に集まる中、牧野の中では、このとき、すでに「汚染水」の心配までイメージされていた。
「汚染水」の問題は、1ケ月以上のちに表面化することになる。
3月13日(震災3日目)
•平成18年衆議院での吉井英勝議員による 巨大地震の発生に伴う安全機能の喪失など原発の危険から国民の安全を守ることに関する質問主意書(衆議院ホームページ資料 第165回国会質問の一覧より) 要点は地震、津波の時に
oディーゼルは動かないのではないか?
o燃料棒バーンアウトは起きないのか?
というもの。 答弁
o我が国において、非常用ディーゼル発電機のトラブルにより原子炉が停止した事例はなく、また、必要な電源が確保できずに冷却機能が失われた事例はない。
o経済産業省としては、お尋ねの評価は行っておらず、原子炉の冷却ができない事態が生じないように安全の確保に万全を期しているところである。
ディーゼルが動かなかった時点で全く想定外で評価もしてなかった事態であった、と。
•例えば こういう資料(内閣府原子力委員会ホームページ資料 平成14年「革新的原子力システムの研究開発の今後の進め方について(案)」の「付録2」)を見ると、電源喪失への対応が現在の BWR では不十分、と認識されていたことがわかる。
•平成21年度 地震時レベル2PSAの解析(BWR)(原子力安全基盤機構ホームページ 平成22年10月報告資料)これの BWR-4 Mark I が福島第一1号炉じゃないかな?電源喪失時の事故のシミュレーション結果。
•というわけで、電源喪失時のシミュレーションをやってみたら致命的なことになりうるとわかっていた、ということ。
メルトダウン(炉心溶融)の危険性に気付いていたのは、間違いなく、牧野だけではない。じつは、日本の原子力の専門家は、冷却システムの不全によるメルトダウンについて、よく研究していたのである。
【平成21年度 地震時レベル2PSAの解析(BWR)これの BWR-4 Mark I が福島第一1号炉じゃないかな?電源喪失時の事故のシミュレーション結果】
確かにこの報告書には、地震発生にともなって緊急冷却システムが作動しなかった際のシミュレーション解析が記載されている。「BWR」とはBolding Water Reactorの略称で、沸騰水型原子炉を意味し、つまり、福島第一原発と同型である。
調べてみると、冷却システムが停止してからメルトダウンに至るまでの経過については、日本原子力研究所(現・日本原子力研究開発機構)において30年以上も前から解析が行われている。1979年に原発史上初めて炉心溶融を起こした米国スリーマイル島原発事故が契機となって、1982年5月には「炉心損傷に関する研究の現状と課題」(日本原子力研究所 JAERI-M 82-039)という200ページを超える報告書が提出されている。その前文は以下の通りである。
「近年、特にTMI-2号炉(著者注:スリーマイル島原発)の事故以降、炉心損傷事故(Severe Core Damge Accident)に関する研究の必要性が叫ばれている。そこで安全工学部を中心としてタスクフォース(著者注:プロジェクトチーム)を編成し、炉心損傷事故における各事象、研究の現状について調査し、今後必要と思われる研究課題について検討を行った。
本報告書は上記の調査、検討の結果を、炉心損傷事故シーケンス(著者注:発生する現象の流れ)、炉心崩壊・融体挙動、FP(著者注:核分裂生成物)の挙動、水素の発生・爆発、水蒸気爆発、格納容器の健全性に分けて、独自の解析評価の結果も含めてまとめたものである」
ここには、今回の福島第一原発事故で問題となった(なっている)ことがらが、ほぼ同様に並んでいる。福島第一原発が1号機(1971年)から6号機(1979年)まで、すべてがこの報告より前に営業運転を開始している事実も興味深い。福島第一原発が、この報告書の視野に入っていることは想像に難くない。
炉心溶融(メルトダウン)の概略については、一例として、以下のように記述されている。
「なんらかの原因で冷却水の喪失に至ると、炉心は蒸気中に露出し、炉心冷却機能は失われる。軽水炉(著者注:福島第一原発は沸騰水型であるが現象は同様)では、冷却水喪失により必然的に炉心は未臨界となり核分裂は停止するが崩壊熱があるので燃料棒温度は上昇する。一次系(著者注:炉心に直接接している循環水システム)圧力が低下している場合には約800℃程度で(著者注:燃料棒の)被覆管のふくれ・破裂が起こる。その後1200℃を超えるとジルカロイ(著者注:被覆管を構成しているジルカロイド合金)−水蒸気反応が激しくなり被覆管は急速に酸化され、脆化する。一方この反応により大量の水素が発生し、一次系内および格納容器内に蓄積する。さらに温度上昇が続くと炉心は高温部から徐々に溶融し、燃料棒はその本来の形状を失い冷却されにくい状況に遷移していく。溶融の始まる温度は、UO2(著者注:核分裂燃料である二酸化ウラン)とジルカロイの反応のために低融点合金が形成されるのでUO2の融点(著者注:2800℃)より低いと考えられる。溶融した炉心が下部プレナム(著者注:原子炉圧力容器の底)に落下すると、そこに冷却水があれば金属融体と水との接触により水蒸気爆発が起きる可能性がある。水蒸気爆発とは、急激な伝熱・蒸気発生時のショックにより融体が細分化し、そのことにより伝熱面積が拡大しさらに急激な伝熱・蒸気発生を生じさせるというメカニズムによって、融体のもつ熱エネルギーが瞬時に機械的エネルギーとして解放される現象である。この時発生したエネルギーにより炉心融体自身および周囲の構造物がミサイル(missile:飛来物)と化し圧力容器壁を破損させる虞れもある。その破壊力が大きい場合はさらに格納容器破損に至るおそれもある。
水蒸気爆発が起こらない場合でも、融体からの伝熱により下部プレナムの水は急速に蒸発し、その後、融体は圧力容器下端を熱的に侵食する。圧力容器壁が溶融貫通すると融体は、圧力容器の下の原子炉キャビティ(著者注:水を張ったプール)に落下する」
「融体がキャビティに落下すると、そこに冷却水があれば水蒸気爆発が起こり格納容器破損に至る可能性がある。水がない場合は融体は格納容器床のコンクリートと接触し、コンクリートの熱分解が起きる。この時のには分解生成物として水蒸気、二酸化炭素等が発生し、同時にそれらが高温の金属と接触して還元されるために水素、一酸化炭素等の可燃性ガスも発生する。また高濃度のコンクリート・エアロゾル(著者注:粉塵)が発生し、格納容器内気相中に充満する。下部でのコンクリートの浸食が進むと格納容器の貫通に至る虞れもある。
格納容器中に蓄積した水素、その他の可燃性ガスが十分な濃度に達しておりかつ、何らかの理由で着火するとそれらの燃焼または爆発が起こる。爆発が起きると衝撃力で格納容器を破損させる虞れがある。また、水素燃焼は燃焼熱により格納容器中の圧力上昇に寄与する。
格納容器の圧力は、一次系から放出された水蒸気、ジルカロイ−水蒸気反応によって発生した水素、融体−コンクリート相互作用により発生した気体等により上昇し、格納容器の破損の可能性が高まる。
以上をまとめると、格納容器破損の可能性として、衝撃荷重(著者注:主に水素爆発、水蒸気爆発)、圧力上昇、溶融貫通(著者注:メルトダウン)の三通りがあることがわかる」
30年前に予想されたシーケンス(一連の流れ)が、ほぼそのまま現実のものとなった。圧力上昇を食い止めるために、放射性物質の放出をともなったベント(ガス抜き)を行ったが、その後の水素爆発によって格納容器は破損した。
震災から2ヶ月たった5月に、東京電力は福島第一原発1〜3号機がメルトダウンした事実を公表した。1号機が震災から5時間後(3月11日震災当日)、2号機が101時間後(震災5日目:3月15日)、3号機が60時間後(震災4日目:3月14日)であったという。
震災のシミュレーションは今日に至るまで続けられており、その最新版が「平成21年度 地震時レベル2PSAの解析(BWR)」である。
このシミュレーションを行った研究者たちが原発事故を前にして、どのような行動を取ったのかは、大変興味深いところである。すべての状況をイメージできていて、臨戦態勢で苦闘していた可能性も大きい。そこには「科学技術者としての敗北感」や自分がやらなければならないという「第一人者のプライド」もあったかもしれない。
ただ一つ、不思議に感じられた点がある。30年前の報告書には著者名が明記されているのに対して、昨年度の報告書には著者名が見当たらない。特段の意図はないのかもしれないが、科学技術の報告書としては異例である。